咨询热线:17503058286

产品概述
德克萨斯高压静止无功发生器采用H桥级多电平电路架构,直接接入6kV、10kV. 27.5kV和35kV电网。采用了N+1或N+2冗余结构,当一个H桥链接损坏后,通过旁路电路切除故模块并启用第N+1备用模块,装置仍可继续满负荷运行,自身运行可靠性极高。SVG装接入电网,采用LCL结构,与传统的通过单个电抗器直接接入电网系统阻抗,不会发生谐振,保证装的可靠性和安全性: SVG工作时,IGBT高频开关产生的高次谱波不注入电网,补偿无功和滤除谐波的效果更好。

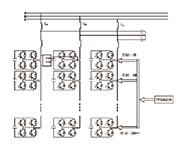
内部结构
如左图所示,SVG的主电路主要包括控制系统。IG8T功率变换器和电抗器部分。通过对功率变换器的控制,可以调节功率变换器的输出电压,进而调节电抗器上的电流,使SVG吸收或发出满足要求的无功电流,实现动态无功补偿的目的;同时使SVG产生指定的谐波来补偿负荷中的电流谐波,实现谐波补偿的目的。SVG是新一代动力无功补偿和谐波治理领城最新技术应用的代表。

控制方式
在控制系统方面,公司采用xllinx公司的Spartan3adspFPGA进行集中控制,FPGA时钟频率最高可到200MHz,内部有84个硬件DSP单元, DSP并联运行,运算速率远高于单个DSP控制方式,且通信延迟小,响应速度更快,便于采用更先进的控制算法,使SVG达到更加卓越的补管偿效果。
采用新型的控制算法和调制方式,并结合控制系统的超强计算熊力,使SVG装置滤除谐波的能力大大增强,可滤除30次以内所有滤波,滤波效率达97%以上.

主要功能
■动态补偿无功功率,降低线损,节能降耗
配电系统中的大量负荷,如异步电动机、感应电炉及大容量整流设备、电力机车等,在运行中都能表现为感性,需要消耗大量的无功,赠加了供电线路上的电能损失,降低了电压质量,同时无功电流也降低了发、输、供电设备的有效利用率;对于电力用户而言,低功率因数会增加电费支出,增加变压器耗损,加大生产成本。svG可跟随负荷无功的变化,实现无功率的动态补偿,使线路损耗降到最低,充分提高了发、输、供电设备的利用率。
■动态滤除谐波,改善电能质量,节能降耗
非线性负荷在产生冲击性无功功率的同时,常常对公用电网注入大量谐波。svG采用以IGBT为主控制器件的有源滤波技术,响应速度快、可靠性高、动态跟踪滤除各次谐波, SvG具备虑波性能不受系统参数变化的影响、无潜波放大危险等突出忧点,是动态无功补偿和谐波治理的首选节能解决方案。
■维持负药端电压,加强系统电压稳定性
对于负荷中心,由于负荷容量大,且没有大型无功电源支撑,因此容易造成电压偏低甚至电压崩溃的事故。SVG具有的快速调节无功功率的功能可以有效维持负荷侧电压,提高供电系统的电压稳定性。
■闪变抑制
SVG小于10ms的全响应速度使其特别适合于电压波动闪变的抑制,国际大电网(CRGRE)也将其
推荐为如电弧炉等快速波动负荷引起的电压波动和闪变抑制的首选方案。
■电压波动
非线性负荷,如电弧炉、轧钢机、电气化铁路等负荷的快速变化引起电压波动和闪变,不能满
足于用户对电压质的要求,会导致设备运行性能不良,出现过电流、过热保护装误动及设备烧坏等事故,并且设备性能、生产效率和产品质量都将受到影响。电压波动和闪变对安全生产是极为不利的。
■输电系统稳定控制, 提高线路传输容量
在长距离输电线路中点安装SVG装置,不但可以在正常状态下补偿线路的无功功率,而且可以在系统故障情况下,提供及时快速的无功调节,阻尼系统震荡,提高输电系统稳定性,从而有效提高线路输电容量。
■补偿三相不平衡
三相电压不平衡对用户的用电没备和电网的输变电设备造成很大危害:导致中性点形成较高对地电压,使电子设备积累大量的静电而造成致命的破坏:负序电流会造成变电器损耗加大,造成变压器发热,有效输出容量减小。

德克萨斯电气(深圳)有限公司
地 址:深圳市坪山区龙田街道竹坑社区翠景路43号华意隆厂区
传 真:075589389591
手 机:17503058286
Q Q:2980535020
邮 箱:2980535020@qq.com
网 址:www.texasdq.com.cn

Copyright @ 2019 德克萨斯电气(深圳)有限公司 粤ICP备2022049977号 热线电话:17503058286
邮 箱:2980535020@qq.com 地 址:深圳市坪山区龙田街道竹坑社区翠景路43号华意隆厂区